Hi
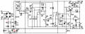
I build this power supply circuit and works fine, but I want insread one POT for adjusting voltage (P1 is 10K), using two POT for coarse and fine. I just simply connected two pot in series one 1K and another 10K but problem is the out is not linear! What is correct circuit for it?

My current coarse fine:

Thanks
I build this power supply circuit and works fine, but I want insread one POT for adjusting voltage (P1 is 10K), using two POT for coarse and fine. I just simply connected two pot in series one 1K and another 10K but problem is the out is not linear! What is correct circuit for it?

My current coarse fine:

Thanks
Last edited:
