Hi,
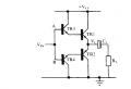
I stumbled upon this while reading "Transistor circuit techniques" by G.J.Richie:

Does it have any chance to work? I have slightly modified this circuit to provide a proper bias in LTSpicie:

and here is what I get out of it (green signal is voltage on R3, blue on the C2)

So we can see that the voltage BE of Q1 is the same meaning this transistor is OFF. This is not surprising as C2 blocks DC and the 10mv base signal is not enough to turn it back on. More so, Q2 will never turn ON because collector voltage is always more positive than the base (during negative input swing). So I don't know what to think about this book but it is certainly confusing. (Also, they reference figure 8.5b which doesn't even exists in the book)
I stumbled upon this while reading "Transistor circuit techniques" by G.J.Richie:

Does it have any chance to work? I have slightly modified this circuit to provide a proper bias in LTSpicie:

and here is what I get out of it (green signal is voltage on R3, blue on the C2)

So we can see that the voltage BE of Q1 is the same meaning this transistor is OFF. This is not surprising as C2 blocks DC and the 10mv base signal is not enough to turn it back on. More so, Q2 will never turn ON because collector voltage is always more positive than the base (during negative input swing). So I don't know what to think about this book but it is certainly confusing. (Also, they reference figure 8.5b which doesn't even exists in the book)




