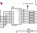
I have built the a simple 4 digit seven segment display driver using Arduino nano as the brains of the project, 74hc595 shift register to multiplex the seven segment displays and an ULN2803 to drive them. I have attached the circuit diagram of the same. I am using a buck converter to drop input voltage from 24v to 7v to drive the Nano and also to power the seven segment displays. The GND of ULN2803 is connected to Arduino GND (beside the Vin pin).
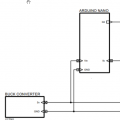
While I was building and testing the code to run on the circuit, I used to connect Arduino to my computer USB port and provide external 7v from buck converter to the ULN2803 to drive the seven segment display and it used to work fine. But when I use buck converter to power both Arduino (at the Arduino Vin) and seven segment display, the Arduino works fine but all the segments of the seven segment display light up. You can see there is also an 16x2 I2C LCD connected which works fine as well.
Following are different cases that I have tried and their results:
From what I have understood while trying to resolve the problem so far is both Arduino and ULN2803 require different power source. I might be wrong and could use some help. Thanks.
Here in this image the circuit is running on test case 1:

Here in this image the circuit is running on test case 2:

Here in this image the circuit is running on test case 3:

While I was building and testing the code to run on the circuit, I used to connect Arduino to my computer USB port and provide external 7v from buck converter to the ULN2803 to drive the seven segment display and it used to work fine. But when I use buck converter to power both Arduino (at the Arduino Vin) and seven segment display, the Arduino works fine but all the segments of the seven segment display light up. You can see there is also an 16x2 I2C LCD connected which works fine as well.
Following are different cases that I have tried and their results:
- Case1: Arduino powered through USB and no power supply to uln2803: Arduino works fine and seven segment display dimly lights and shows right values.
- Case2: Arduino powered through USB and uln2803 powered through external 7v: Arduino works fine and seven segment display lights up bright and shows right values.
- Case3: Arduino and uln2803 both powered through external 7v (as shown in the circuit) : Arduino works fine but all segments of the 7 segment display light up bright.
From what I have understood while trying to resolve the problem so far is both Arduino and ULN2803 require different power source. I might be wrong and could use some help. Thanks.
Here in this image the circuit is running on test case 1:

Here in this image the circuit is running on test case 2:

Here in this image the circuit is running on test case 3:

Attachments
-
15.8 KB Views: 26






