Hi there,
I am currently designing a 12 hour alarm clock.
As i am new to logic circuit design i have been restricted to using only these basic components - gates, wires, LEDs, hex displays, counters, pins/buttons, splitters, and flip flops.
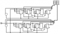
I'm currently in the stage of configuring the hex digit displays to show 12 hour time appropiately. I have run into a bit of a wall in regards to configuring the 2nd hour digit, which of course must count 0-9, triggering the first digit to 1 as it hits 10, and then 0-2 as the first digit is triggered to 1, and then back to 0. Please find attached a SS of my circuit, any advice in regards to this issue would be greatly appreciated. I can drop the file if needed too.
View attachment 346617
I am currently designing a 12 hour alarm clock.
As i am new to logic circuit design i have been restricted to using only these basic components - gates, wires, LEDs, hex displays, counters, pins/buttons, splitters, and flip flops.
I'm currently in the stage of configuring the hex digit displays to show 12 hour time appropiately. I have run into a bit of a wall in regards to configuring the 2nd hour digit, which of course must count 0-9, triggering the first digit to 1 as it hits 10, and then 0-2 as the first digit is triggered to 1, and then back to 0. Please find attached a SS of my circuit, any advice in regards to this issue would be greatly appreciated. I can drop the file if needed too.
View attachment 346617


