It would be helpful if you labeled the columns in your truth table and specified whether A is the LSB or the MSB.I'm kinda frustrated because I don't know what I'm doing wrong. If you could help me out, that would be awesome.

A gray code doesn't really have an lsb or an msb. It is merely a sequence of states in which only one bit position changes value from one state to the next.It would be helpful if you labeled the columns in your truth table and specified whether A is the LSB or the MSB.
It looks like it is simply a number of the steps, which is useful for reference purposes. We can talk about Step 6, for instance.The column you have highlighted is meaningless.
Another name is label-connected (or connection by name). It's, sadly, common among people that are too lazy to spend the time drawing a decent, well-laid-out schematic (I'm not talking about the TS necessarily, but rather engineers out in the "real world"). A much better approach is to connect prolific/global and well-known signals by label in order to reduce clutter, but route all other signals explicitly.I refer to the schematic style you're using as a "netlist format"; meaning it's about as easy to read as a netlist.
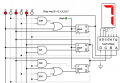
I prefer using subscripts -- X_0 for the lsb on up -- that explicitly documents the weight of each bit (in a binary-weighted value). If people have to mentally convert 'C' to a weight of 2^2, they are apt to make a mistake, either just a silly goof, or by counting up and getting 2^3 because they overlooked that the exponent for the LSB is 0. Using subscripts also makes it easier to integrate the signals in a bus, if that is needed down the road.This is how I drew a mod 6 gray code counter using JK flip flops:
View attachment 321734
I'm old school. A is *always* the LSB.
What is it doing, or not doing, that is the issue. Don't make strangers on the Internet that you are asking for free assistance from try to reverse engineer your entire circuit in order to try to figure out what it MIGHT be doing wrong that MIGHT be what you are referring to.Hi, I have no clue what to do, I've been searching for information about this for a week now, but I haven't found anything. I'm kinda frustrated because I don't know what I'm doing wrong. If you could help me out, that would be awesome.View attachment 321725View attachment 321726
| Thread starter | Similar threads | Forum | Replies | Date |
|---|---|---|---|---|
|
|
Gray counter 3 bit | Homework Help | 5 | |
| P | Problem with 3 bit gray counter | Homework Help | 29 | |
|
|
How to Remove Gray Plastic Cover from XT60 Connector? | General Electronics Chat | 4 | |
|
|
Design a binary to gray code converter using t flip flops. | Homework Help | 2 | |
| M | Digital Gray code Encoder help needed | Analog & Mixed-Signal Design | 10 |