My teacher gave us a homework which includes 7 question and this is one of them.
DESIGN THE CIRCUIT WHICH CONVERTS 3 DIGIT BCD NUMBER TO BINARY USING 74184(BCD TO BINARY CONVERTER)
I couldn't understand what it means. Isn't the "74184" already a bcd to binary converter?
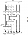
He didn't give any information about the "74184". I made some research and saw that I should use 6 of that converter to design a 3 digit converter but I couldn't understand clearly what should I do.
DESIGN THE CIRCUIT WHICH CONVERTS 3 DIGIT BCD NUMBER TO BINARY USING 74184(BCD TO BINARY CONVERTER)
I couldn't understand what it means. Isn't the "74184" already a bcd to binary converter?
He didn't give any information about the "74184". I made some research and saw that I should use 6 of that converter to design a 3 digit converter but I couldn't understand clearly what should I do.
