Hello all!
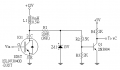
I am in need of help in understanding what the power rating should be for the 15v zener in the circuit shown below. What I am looking to do is to clamp the flyback voltage to 15v (with the zener) and send it to a uC. The inductor current is clamped at 5A. The rough schematic is my initial thought on this but I am not sure how to rate the zener.
Thank you for your help and as always please be kind as I am a hobbyist trying to learn.
Sherry
I am in need of help in understanding what the power rating should be for the 15v zener in the circuit shown below. What I am looking to do is to clamp the flyback voltage to 15v (with the zener) and send it to a uC. The inductor current is clamped at 5A. The rough schematic is my initial thought on this but I am not sure how to rate the zener.
Thank you for your help and as always please be kind as I am a hobbyist trying to learn.
Sherry
Attachments
-
18.2 KB Views: 21
