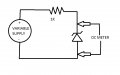
Looking to Build a Zener Diode Voltage Tester.
I have a Bag of Zener Diodes, I would like to Test there Wking Voltage & Label
them for Future Use......
I have a Bag of Zener Diodes, I would like to Test there Wking Voltage & Label
them for Future Use......
