My next problem is attached...
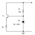
Problem asks (a) for the voltage drop at R_Load and (b) if the hfe = 50, what is the max current that can be delivered to the Load!
V_in may vary from -15 V up to -11 V!
I was trying to write an equation to find the voltage at the node between the Zener and R1 but I'm making some confusion with the signs!
V_z + V_1 = V_in
Then:
V_z = 8 V
V_in = -11 V
V_1 = V_in - V_z
V_1 = -11 V - 8 V = -19 V, but this is not correct!
Where am I going wrong here?
I know that by inspection, at R_1 must drop 3 V, because 8 V + 3 V of drop, matches the V_in supply voltage but I can't make the signs in the equation to match this value!
Problem asks (a) for the voltage drop at R_Load and (b) if the hfe = 50, what is the max current that can be delivered to the Load!
V_in may vary from -15 V up to -11 V!
I was trying to write an equation to find the voltage at the node between the Zener and R1 but I'm making some confusion with the signs!
V_z + V_1 = V_in
Then:
V_z = 8 V
V_in = -11 V
V_1 = V_in - V_z
V_1 = -11 V - 8 V = -19 V, but this is not correct!
Where am I going wrong here?
I know that by inspection, at R_1 must drop 3 V, because 8 V + 3 V of drop, matches the V_in supply voltage but I can't make the signs in the equation to match this value!
Attachments
-
14.7 KB Views: 15
