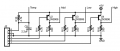
I have a strangle thing happening to my circuit and wanted to know thoughts on what might be happening. I have a circuit with three PNP transistors and they all are behaving the same. The voltage on the emitter is 5V and while I'm not applying any voltage directly to the base of the transistor, I'm reading 4.4 V on the base. J2 is a six pin header and I haven't connected anything to it yet.


