Hi
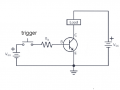
Looking for information about a low voltage (12v from a Dewalt Battery) thyristor to trigger an alarm.
I have PIR's and tilt switches , BUT the tilt switches only have a quick pulse of 12v so need a trigger to produce a static 12v
sorry if my explanation may seem confusing not that good an explaining stuff.
The circuit comprises of a board that plays a voice message (My son wants the alarm to shout "You F'''G Bas@@D i'll break your legs) then after a pause to put on the siren and lights.
I have pir's and Tilt switches but the tilt switches that just provides a quick 12v when activated , so need some way to the alarm on a constant voltage.
any idea's ?
Looking for information about a low voltage (12v from a Dewalt Battery) thyristor to trigger an alarm.
I have PIR's and tilt switches , BUT the tilt switches only have a quick pulse of 12v so need a trigger to produce a static 12v
sorry if my explanation may seem confusing not that good an explaining stuff.
The circuit comprises of a board that plays a voice message (My son wants the alarm to shout "You F'''G Bas@@D i'll break your legs) then after a pause to put on the siren and lights.
I have pir's and Tilt switches but the tilt switches that just provides a quick 12v when activated , so need some way to the alarm on a constant voltage.
any idea's ?

