I have 10pcs of these TCRT5000 (Infrared LED emitter + phototransistor): https://www.vishay.com/docs/83760/tcrt5000.pdf
I will call them IR for short.

I want to make a cct with these 10 IR's to function like this: - When I sweep my finger over them dispose in line, one after another, some 10 output LEDs will light up a single LED but retain the last position (LED on) of the last finger sweep over the last IR. For ex, if I sweep to 7th IR, the output will have all LEDs off, except LED 7 on. When Im not touching the IR's anymore, the output will still retain the last position. Like a memory.
I already tried this cct using simple steel wires:
part1 - /https://youtu.be/z2p-qGrjdeA (9:52)
part2 - /https://youtu.be/e_u4PA-61m8 (19:39)
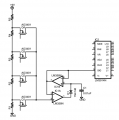
but I encounter some problems and the cct was glitchy. A UK friend of mine liked the idea and send me these IR's while he tried it's own cct design in his side. He reach a stage of the cct but he didnt manage to finalize it as my original problem to be solved.
I liked his idea using these IR's and I already received them from some time now. His idea of using IR's gives me the impression to be a bit more solid and stable than my steel wires version that was influenced by 50Hz radio interference or electrostatic, or something, because it was buggy like I present it in my movies.
So.... Im after the logic cct that will do all that.
Thank you for playing.
I will call them IR for short.

I want to make a cct with these 10 IR's to function like this: - When I sweep my finger over them dispose in line, one after another, some 10 output LEDs will light up a single LED but retain the last position (LED on) of the last finger sweep over the last IR. For ex, if I sweep to 7th IR, the output will have all LEDs off, except LED 7 on. When Im not touching the IR's anymore, the output will still retain the last position. Like a memory.
I already tried this cct using simple steel wires:
part1 - /https://youtu.be/z2p-qGrjdeA (9:52)
part2 - /https://youtu.be/e_u4PA-61m8 (19:39)
but I encounter some problems and the cct was glitchy. A UK friend of mine liked the idea and send me these IR's while he tried it's own cct design in his side. He reach a stage of the cct but he didnt manage to finalize it as my original problem to be solved.
I liked his idea using these IR's and I already received them from some time now. His idea of using IR's gives me the impression to be a bit more solid and stable than my steel wires version that was influenced by 50Hz radio interference or electrostatic, or something, because it was buggy like I present it in my movies.
So.... Im after the logic cct that will do all that.
Thank you for playing.
Last edited:



