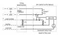
Hi. I have been iterating different options for PLC-level digital inputs and outputs. If you have good practices in mind, I appreciate to hear about them. It does not matter if those are related to 5VDC symmetric signal output, or 24VDC OC output, or something else (except relay).
A
And for those who ask the question "can't help you without more specific specs" I answer that there are no specs or requirements. This is more about learning about what kind of solutions there are inside of "real" PLCs.
A
And for those who ask the question "can't help you without more specific specs" I answer that there are no specs or requirements. This is more about learning about what kind of solutions there are inside of "real" PLCs.



