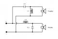
I saw this schematic for a passive crossover online and I'd like to know if everything is correct or if you would change anything.
It will work for a 45W RMS tweeter and a 280W RMS speaker.
It will work for a 45W RMS tweeter and a 280W RMS speaker.
Attachments
-
181.6 KB Views: 24
