Hi!
I have an old EKO Tiger P61 electric organ which has a builtin amplifier and speakers. The problem is it doesn't have a master volume control! I don't completely understand how this amplifier works but i gave it a shot.
I have tried to put a pot on the signal path (66) but i get strange results:
- 100k pot -> lowest volume position is not complete silence; catches radio signal
- 1M pot -> a lot of distortion as i reduce the volume (similar to an overdrive effect); catches radio signal
Sure i do something wrong, probably that's not the right place for the pot. I can't figure out where to place it.
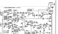
In the small picture the op-amp sums multiple sources of signal to a single one (66)


I have an old EKO Tiger P61 electric organ which has a builtin amplifier and speakers. The problem is it doesn't have a master volume control! I don't completely understand how this amplifier works but i gave it a shot.
I have tried to put a pot on the signal path (66) but i get strange results:
- 100k pot -> lowest volume position is not complete silence; catches radio signal
- 1M pot -> a lot of distortion as i reduce the volume (similar to an overdrive effect); catches radio signal
Sure i do something wrong, probably that's not the right place for the pot. I can't figure out where to place it.
In the small picture the op-amp sums multiple sources of signal to a single one (66)





