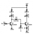
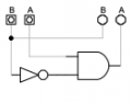
I am certain I found a schematic somewhere for a BJT based priority encoder (i.e. a cell where a high input turns low all the preceding stages) but now I can't find it. The circuit I am thinking of has two inputs and two BJTs. Can anyone confirm I didn't dream it? And also share a link 

