I have a Fisher AD-885 cd player, manuf in 1986, that I purchased in non-working cond.
Indeed, the unit would power up and the display and buttons appeared to function okay. And no hum in the audio lines.
BUT: the cd loading system and entire transport/laser section was not responding -- it was dead.
The power and reg sections seemed okay, and no fuses or fusible R were blown.
Using a DMM to troubleshoot, I noticed that the LM7805 input and gnd pins read 17 ohms. I removed the 7805, and still 17 ohms on the PCB vias for pin 1 and pin 2. One by I removed quite a lot -- including the entire bridge rectf., all the caps in the rect. section, but still the 17 ohms across the on the PCB vias (pins 1, 2 of where the 7805 is) remains.
I did ultimately find one shorted 100uF electro cap in the cd transport/servo section. Replaced it; but the 17 ohm "short" persisted. After several component by component ohming test, I found nothing so I reinstalled all pulled-out parts and hoped I could learn from how CDP player would react to replacing the single faulty 100uf cap.
SURPRISINGLY, the unit came to full life and began normal service! CDs play fine and track well. And the unit draws its normal rated power and the 7805, w/no heatsink, and other components run cool.
But the 17 ohms across pins 1, 2 remain.
I have several other Fisher CDPs from the same year and very similar design, and their 7805 pins 1 and 2 measure much higher.
I am bothered that, on over half of ground-connected components on the whole PCB, placing one DMM probe (-) on gnd and the the other (+) on the 7805's input pin (1), I still read 17 ohms. I have a DMM that can resolve to 0.05 ohms, so I could try to locate source of "17 ohm short" (if that's what it is) but made little progress.
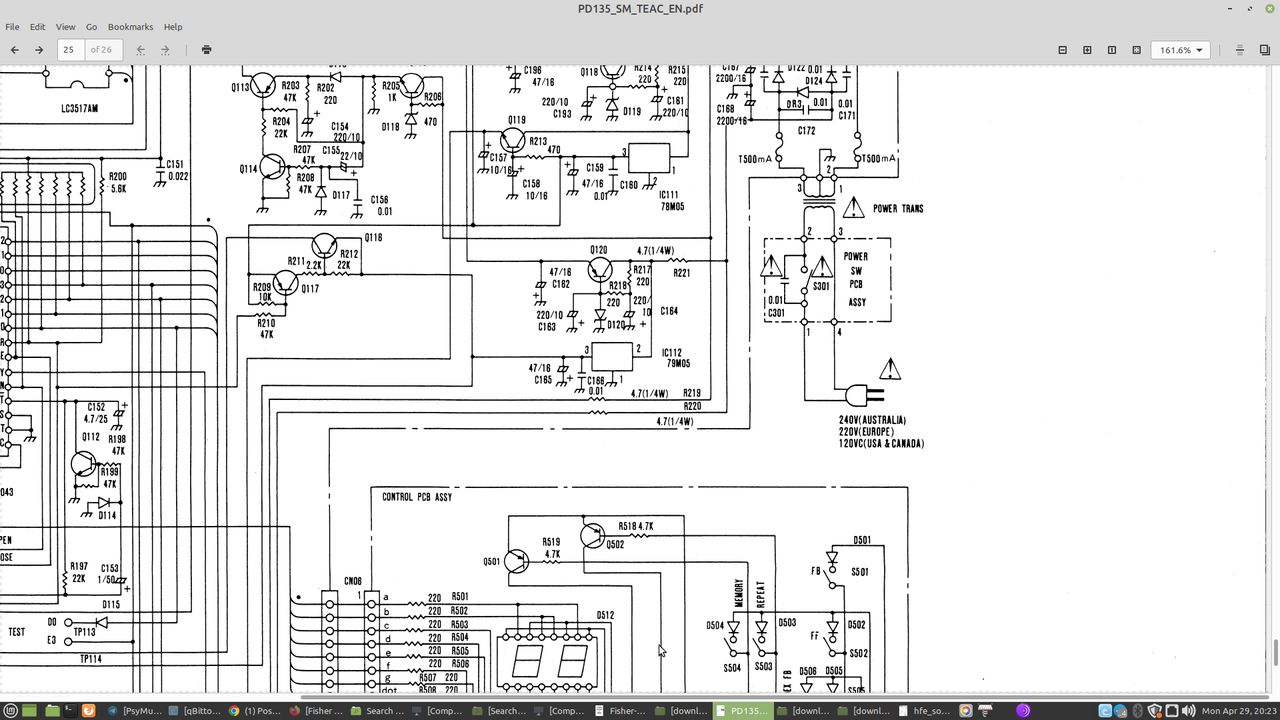
The portion of the schematic is from very similar Fisher CDP, but is not my AD-885. I don't have the orig SM for the AD-885,. Nevertheless, it is very, very similar to this image.
https://i.postimg.cc/qRdmBxCs/Screenshot-at-2024-04-29-20-23-13.png

Indeed, the unit would power up and the display and buttons appeared to function okay. And no hum in the audio lines.
BUT: the cd loading system and entire transport/laser section was not responding -- it was dead.
The power and reg sections seemed okay, and no fuses or fusible R were blown.
Using a DMM to troubleshoot, I noticed that the LM7805 input and gnd pins read 17 ohms. I removed the 7805, and still 17 ohms on the PCB vias for pin 1 and pin 2. One by I removed quite a lot -- including the entire bridge rectf., all the caps in the rect. section, but still the 17 ohms across the on the PCB vias (pins 1, 2 of where the 7805 is) remains.
I did ultimately find one shorted 100uF electro cap in the cd transport/servo section. Replaced it; but the 17 ohm "short" persisted. After several component by component ohming test, I found nothing so I reinstalled all pulled-out parts and hoped I could learn from how CDP player would react to replacing the single faulty 100uf cap.
SURPRISINGLY, the unit came to full life and began normal service! CDs play fine and track well. And the unit draws its normal rated power and the 7805, w/no heatsink, and other components run cool.
But the 17 ohms across pins 1, 2 remain.
I have several other Fisher CDPs from the same year and very similar design, and their 7805 pins 1 and 2 measure much higher.
I am bothered that, on over half of ground-connected components on the whole PCB, placing one DMM probe (-) on gnd and the the other (+) on the 7805's input pin (1), I still read 17 ohms. I have a DMM that can resolve to 0.05 ohms, so I could try to locate source of "17 ohm short" (if that's what it is) but made little progress.
The portion of the schematic is from very similar Fisher CDP, but is not my AD-885. I don't have the orig SM for the AD-885,. Nevertheless, it is very, very similar to this image.
https://i.postimg.cc/qRdmBxCs/Screenshot-at-2024-04-29-20-23-13.png

Last edited: