
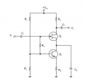
Given in the question is the following :
VDD=12 V, IDQ=4 mA , Vp=-8V , Idss=5mA , Q1 is a BF245A , Q2 is a BC108B
For these values, I am supposed to find every resistor value. I calculated Vgsq=-0.84V but have no idea where to go from here. Im not looking for someone to solve this I just want to know how to go about solving it. Thanks!