
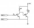
I am trying to design a circuit using an optocoupler to power an led.
1. The signal I am referring to in the picture is always either 3.3V or 0V. The 1k resistor is also always after it. The circuit I am designing comes after the signal and the resistor.
2. To power the led, I am also given the choice to either use 5V or 12V.
3. The main objective is to design a circuit so that when the signal is 0V, the led light in the end (not the one in the optocoupler) turns ON. And when the signal is 3.3V, the led light turns OFF. So it is sort of like inverse logic.
I started with the idea of using an optocoupler but I am still stuck.
4. The optocoupler that is to be used is the 4N36 by Vishay, so please refer to that datasheet and the led light has a forward voltage of 2.1V.
Please help design a full circuit that fulfills these requirements and also is able to make the led light not only turn on and off at the right time but also be bright enough, preferably using the optocoupler provided. Thank you. Please provide a picture of a screenshot of the circuit.
The forward current of the led I want to turn on or off is 20mA. I also can use a low current led, which has a forward voltage of 1.8v and forward current of 2mA and a max of 7mA


