how would I design a 3 state toggle switch with the states on/both/on linking 2 circuits?

Thread Starter

dephlated

Joined Feb 14, 2024
9
how would I design a 3 state toggle switch with the states on/both/on linking 2 circuits? the only switches I can find have on/off/on or is this redundant where the off works as a bypass?
 

ronsimpson

Joined Oct 7, 2019
4,680
Most common is the on1/off/on2.
I have seen slice switches where the middle position is all on. I cannot find one at digikey.com and I looked in several catalogs and did not find one.
 

Thread Starter

dephlated

Joined Feb 14, 2024
9
Most common is the on1/off/on2.
I have seen slice switches where the middle position is all on. I cannot find one at digikey.com and I looked in several catalogs and did not find one.
do you know a way of using a on1/off/on2 as an on1/on1&2/on2 switch? or is this not possible?
 

RBR1317

Joined Nov 13, 2010
715
Is the question "How to design a 3 state toggle switch?" or is the question "How do I connect a double-pole triple-throw toggle switch to control 2 circuits?" If the latter, then first consider how to connect a single-pole triple-throw switch to control 1 circuit.
 

BobTPH

Joined Jun 5, 2013
11,503
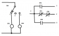
Any DP3T switch will do it. As I understand it, that is not the question. The question is how to do it with an on-off-on switch.

This is easily done with the addition of two SPDT relays.
 
Top