how increase brightness of 4x4 LED using 74hc595 and Arduino

Thread Starter

Indiancircuits

Joined Jul 6, 2023
4
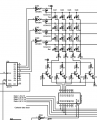
I'm using below attachment 4x4 led matrix hardware led brightness is little bit low .74hc595 per pin current 35mA total 8 pins gives upto 130mA any circuit modification please suggest how it's increase brightness.FHI83WMK4933TJ9.png
 

Attachments

dl324

Joined Mar 30, 2015
18,219
Your schematic is useless without you telling us how you intend to drive the LEDs.

I assume that you wanted the 4 strings of LEDs to be connected the same way (i.e. you have 3 missing connection dots on the inner strings). In any case, it's an odd way to connect and drive LEDs.

You have 4 LEDs in series connected to a single Arduino output. An Uno output can only sink about 20mA.
Uno-currents.jpg

You're saying the 74HC595 outputs can source 35mA, 6mA is more realistic. Note that 35mA is the absolute maximum parameter that devices aren't guaranteed to survive.
1707409089693.png
1707409106307.png

If you're multiplexing the LEDs, you should increase the pulsed current to something closer to the peak current allowed by the LEDs so that the average current is around the maximum continuous current rating. That means you're going to have to use a different method to drive the LEDs.

In this schematic fragment, I have a 4x4 matrix of LEDs where I'm able to turn on up to 4 at the same time. You can determine this because I'm using a CD4017 as the row driver, so only one row can be driven at a time. The peak current in any LED is about 90mA.
1707408914772.png

Ordinarily I'd complain about using multiple colors in a schematic, but yours is so messy that they actually help tracing the wires.

The pin order symbols you're using are terrible at conveying circuit intent.
 

ElectricSpidey

Joined Dec 2, 2017
3,312
You are going to need drivers on the low and high side of the LEDs, then It's just a matter of lowering the resistor values. (assuming the LEDs are rated)

Even if the output pins of the SR survived the 35mA the VDD and ground pin would probably not, depending on how many LEDs were lit.

4 NMOS on the low side and 4 PMOS on the high side should do the trick.
 
Top