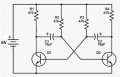
Where did you get that idea? They charge and discharge, but that is not the same as reversing.as it is stated that capacitors reverse charge their polarized during operation of astable multivibrator
thank you for your answer, but will it not destroy the polarized capacitor?The capacitors reverse-charge to only +0.7V minus the +0.1V of the saturated transistor's collector driving it.

Post a schematic so we know what you're referring to.how can a polarized capacitor be reversed charged in astable multivibrator