Hi guys, first post here so hoping I don't inadvertently break any rules.
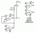
I'm driving the Set and Reset inputs of a latch (a CMOS 555 chip in bistable mode, operating at 8V) from the outputs of the the two comparators in the LM393 dual comparator chip.
The comparators give sharp falling edges, but because of their open collector outputs I get a slow rising edges. In fact the rising output seems to enter a narrow linear domain before reaching saturation.
I don't want to use a low value pullup resistor because it will be powered from a very small solar panel so I have to conserve energy.
Any suggestions on how I might interface these two devices?
Thanks.
I'm driving the Set and Reset inputs of a latch (a CMOS 555 chip in bistable mode, operating at 8V) from the outputs of the the two comparators in the LM393 dual comparator chip.
The comparators give sharp falling edges, but because of their open collector outputs I get a slow rising edges. In fact the rising output seems to enter a narrow linear domain before reaching saturation.
I don't want to use a low value pullup resistor because it will be powered from a very small solar panel so I have to conserve energy.
Any suggestions on how I might interface these two devices?
Thanks.






