Generating 4.194 MHZ 0-5V clock signal

Thread Starter

reghu_johnson

Joined Aug 25, 2014
2
I am new for electronics
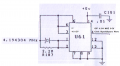
I need to generate 4.194 MHZ 0-5V clock signal from the below circuit.
I got 4.194 MHZ 5V from the circuit but unfortunately this circuit is giving sawtooth wave.
Please help me anyone to get square wave signal from this circuit.
 

Attachments

MikeML

Joined Oct 2, 2009
5,444
DigiKey will program a universal clock oscillator module for you for a few bucks. They come with square wave output, TTL or CMOS, with tri-state enable, power-down enable, various stability, etc.
 

Thread Starter

reghu_johnson

Joined Aug 25, 2014
2
Hello all

Thank you for your kind advice, it is very helpful for me.

Please give me a circuit for generating 4.194 MHZ 0-5 V Clock signal
 
Top