I need help with the following power electronics question. It's about a fully controlled single-phase bridge rectifier using thyristors:
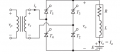
In the circuit shown, R = 0.5 Ω, L = 2.25 mH, and E = 0 V. f = 50 Hz, Vs(t) = 311·sin(ωt). The firing angle of the thyristors is defined as ωt = α = 60° α is the firing angle for T1 and T2, and α + 180° is the firing angle for T3 and T4.
Could you please share the formulas used and the final numerical values for the following?
A) Calculate the average value of the load current.
B) Calculate the RMS (effective) value of the load current.
C) Calculate the average current through thyristor T1.
D) Calculate the RMS (effective) current through thyristor T1.

In the circuit shown, R = 0.5 Ω, L = 2.25 mH, and E = 0 V. f = 50 Hz, Vs(t) = 311·sin(ωt). The firing angle of the thyristors is defined as ωt = α = 60° α is the firing angle for T1 and T2, and α + 180° is the firing angle for T3 and T4.
Could you please share the formulas used and the final numerical values for the following?
A) Calculate the average value of the load current.
B) Calculate the RMS (effective) value of the load current.
C) Calculate the average current through thyristor T1.
D) Calculate the RMS (effective) current through thyristor T1.
