Esp8266 12E NodeMCU heating when powered

Thread Starter

huskyhunter

Joined Jun 28, 2018
2
Hi,
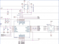
So few months ago i was working on a project while i was making an enclosure i dropped the esp8266 board, and when i plugged into the pc it would show up, the blue led would blink and stay on it would keep heating up, To be specific the 2 S4 diods (near the rst button) (including the RST button) and the onboard esp chip. So can i remove the S4 diods or would i have to replace it ?.

I have attached the image and schematics of it.

Thank you in advance.
 

Attachments

Last edited:

Toughtool

Joined Aug 11, 2008
63
At $5.88 and free shipping W/Prime, I would replace it. Otherwise I think you are going to need an oven to solder the new components. Plus the cost of new components may be close to the same, and maybe going near blind working on it. Unless of course you want experience unsoldering and soldering surface mounted technology components.

As of 4/2020: https://www.amazon.com/Version-Inte...ild=1&keywords=nodeMCU&qid=1588006215&sr=8-18
 
Last edited:

MisterBill2

Joined Jan 23, 2018
27,362
You may be able to repair the board if you have a good magnifier and a needle tiped soldering iron and a stable set of hands. I have soldered such surface moun boards and that is what it takes, PLUS a fair amount of patience. Probably some solder joint failed when you dropped it, but if it was a connection to an inside layer then none of the above will help. Use that failed board as a physical tryout piece and don't drop the new ones.
 

Thread Starter

huskyhunter

Joined Jun 28, 2018
2
You may be able to repair the board if you have a good magnifier and a needle tiped soldering iron and a stable set of hands. I have soldered such surface moun boards and that is what it takes, PLUS a fair amount of patience. Probably some solder joint failed when you dropped it, but if it was a connection to an inside layer then none of the above will help. Use that failed board as a physical tryout piece and don't drop the new ones.
Thanks for the reply,
Ill try it out, will just get a new one as a last resort
 
Top