Hello fellow electronics enthusiasts,
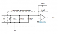
I'm seeking some advice regarding an issue I've encountered with an electromagnetic wave emitter. Despite covering the photodiodes, I'm still detecting a signal at the same excitation frequency as the LEDs. The emitter and receiver circuit are show here.


The square wave is generated through the ESP32 and the symmetrical source (+9V; -9V) that feeds the emitter is the same that feeds the OPAMP. I have the problem that even though the photodiode receives light, there is an output signal, and this output signal is the one generated by the microcontroller. What will be the problem?
I'd greatly appreciate any insights or suggestions you might have regarding this issue. Additionally, if anyone has encountered similar challenges or has experience in troubleshooting electromagnetic wave emitters, your input would be invaluable.
Thank you in advance for your assistance!
I'm seeking some advice regarding an issue I've encountered with an electromagnetic wave emitter. Despite covering the photodiodes, I'm still detecting a signal at the same excitation frequency as the LEDs. The emitter and receiver circuit are show here.


The square wave is generated through the ESP32 and the symmetrical source (+9V; -9V) that feeds the emitter is the same that feeds the OPAMP. I have the problem that even though the photodiode receives light, there is an output signal, and this output signal is the one generated by the microcontroller. What will be the problem?
I'd greatly appreciate any insights or suggestions you might have regarding this issue. Additionally, if anyone has encountered similar challenges or has experience in troubleshooting electromagnetic wave emitters, your input would be invaluable.
Thank you in advance for your assistance!