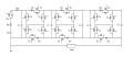
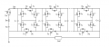
At present, I need to develop a Marx type high-voltage pulse generator with adjustable pulse voltage of 1-30kV, frequency of 100-1000Hz and pulse width of 1-10us. At present, part of the main circuit is planned to adopt traditional Marx circuit, and the signal sending module uses FPGA. In order not to have the same circuit structure as others. Plan to isolate the circuit and drive the circuit, take the digital isolation drive way, hope that after seeing the problem, can help me answer questions, please!
