Hi, first of all I'm not looking for the answer just some help and guidance.
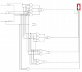
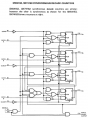
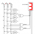
For the problem, I'm pretty sure that I'm close to finishing the circuit. However, my main problem is, when I did the boolean expressions I came to some conclusions that didn't make sense in terms of how I would actually wire that into the circuit (mainly referring to segments; b, g). I'll upload where I've gotten so far for the circuit and then what I got for my boolean expressions as well as the truth table. Have I gotten the Boolean expressions wrong?
Side note: If anyone has any advice on how to properly and neatly design the circuit in terms of placing the wires better to make it easier to understand as well.
Thanks



For the problem, I'm pretty sure that I'm close to finishing the circuit. However, my main problem is, when I did the boolean expressions I came to some conclusions that didn't make sense in terms of how I would actually wire that into the circuit (mainly referring to segments; b, g). I'll upload where I've gotten so far for the circuit and then what I got for my boolean expressions as well as the truth table. Have I gotten the Boolean expressions wrong?
Side note: If anyone has any advice on how to properly and neatly design the circuit in terms of placing the wires better to make it easier to understand as well.
Thanks














