Hello,
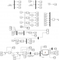
I am trying to model in Simulink an active three-phase rectifier that behaves as a PFC (Power factor correction) of 22 kW. I am trying to make the rectifier follow the 800 V reference for the DC bus, but quickly the control takes the reference to 0 V and I don't understand why. I attach a picture of the model, both plant and controller. Also, the result of the voltage in the DC bus.
The control is a Space vector PWM control, where the external loop is voltage (Vdc bus) and the internal loop is current (Id and Iq).
I realized that in DC Link was supposed to set an initial voltage value, as I have not implemented a precharge. But I have already solved that problem.



Does anyone know where it could be going wrong? Thanks in advance for your help.
I am trying to model in Simulink an active three-phase rectifier that behaves as a PFC (Power factor correction) of 22 kW. I am trying to make the rectifier follow the 800 V reference for the DC bus, but quickly the control takes the reference to 0 V and I don't understand why. I attach a picture of the model, both plant and controller. Also, the result of the voltage in the DC bus.
The control is a Space vector PWM control, where the external loop is voltage (Vdc bus) and the internal loop is current (Id and Iq).
I realized that in DC Link was supposed to set an initial voltage value, as I have not implemented a precharge. But I have already solved that problem.



Does anyone know where it could be going wrong? Thanks in advance for your help.