Hello,
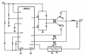
I have designed a power supply which I am simulating in LTSpice. I am trying now to choose a control IC for the synchronous buck converter which varies the voltage applied to a fixed frequency resonant half bridge converter.
However, my input voltage is 270VDC nominal, and I cannot find for the life of me an IC in LTSpice that will be capable of doing this, since the switch voltage will be too high for the maximum rating for the IC.
What other alternatives do I have if I want to control a high voltage buck converter?
I have designed a power supply which I am simulating in LTSpice. I am trying now to choose a control IC for the synchronous buck converter which varies the voltage applied to a fixed frequency resonant half bridge converter.
However, my input voltage is 270VDC nominal, and I cannot find for the life of me an IC in LTSpice that will be capable of doing this, since the switch voltage will be too high for the maximum rating for the IC.
What other alternatives do I have if I want to control a high voltage buck converter?
