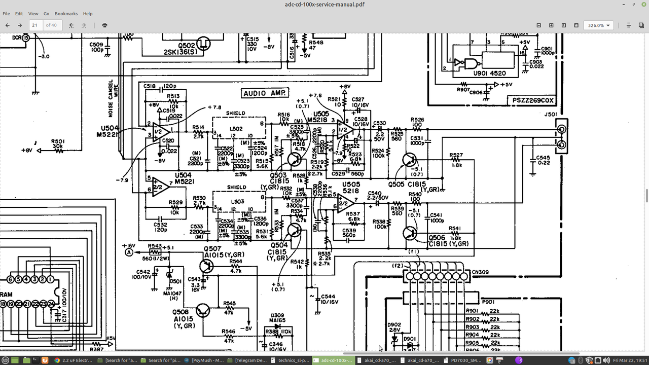
Have a look at schematic section below from a mid-80s CD player (ADC, model CD-100x).
Note C530 and 540. 2.2uF/50 v polarized electros. These are very low-cost caps if you go for electro, polarized. TTBOMK, they are used to block DC. But I'm not sure why the 50v rating. Perhaps, that's all that's avail. in this low-uF value range.
I want to improve performance. I have some high-quality Wima MKPs, in same uF, and voltage, but they are not polarized.
I also have some $$$, high-quality 35v Vishay TANTALEX
https://www.vishay.com/docs/40015/150d.pdf
If a one of these tant's is overvoltaged/abused, will it fail as an open (that's preferable!) or will it short (not good)?
BOTTOM LINE: What might go wrong, in a worst case scenario, if one does not follow the OEM schematic (below)? E.g., don't want to blow anything up that the CD player is connected to, like a preamp or receiver input section. Or, at least, minimize noise and hum.
Thanks!
https://i.postimg.cc/SR9YZCh2/Screenshot-at-2024-03-22-19-51-17.png

Note C530 and 540. 2.2uF/50 v polarized electros. These are very low-cost caps if you go for electro, polarized. TTBOMK, they are used to block DC. But I'm not sure why the 50v rating. Perhaps, that's all that's avail. in this low-uF value range.
I want to improve performance. I have some high-quality Wima MKPs, in same uF, and voltage, but they are not polarized.
I also have some $$$, high-quality 35v Vishay TANTALEX
https://www.vishay.com/docs/40015/150d.pdf
If a one of these tant's is overvoltaged/abused, will it fail as an open (that's preferable!) or will it short (not good)?
BOTTOM LINE: What might go wrong, in a worst case scenario, if one does not follow the OEM schematic (below)? E.g., don't want to blow anything up that the CD player is connected to, like a preamp or receiver input section. Or, at least, minimize noise and hum.
Thanks!
https://i.postimg.cc/SR9YZCh2/Screenshot-at-2024-03-22-19-51-17.png

Last edited:

