calculation of thevenin equivalent circuit

Thread Starter

amPOP

Joined Nov 11, 2024
3
I should find thevenin circuit equivalent of this circuit, but I don't know how I can approach it.
1731319078938.png
I ask you please if you can tell me how to proceed
 

WBahn

Joined Mar 31, 2012
32,783
Certainly you can see that some of those resistances can be trivially combined. Start there and at least show a simplified circuit that has those taken care of.
 

Thread Starter

amPOP

Joined Nov 11, 2024
3
1731401589626.png
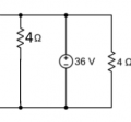
Could this be a start? Is there anything else that can be simplified? Sorry, I'm just starting out, can the two resistors on the right of the diagram be considered in parallel and replaced by a single 2Ω resistor?
 

ericgibbs

Joined Jan 29, 2010
21,423
Hi am,
Looks OK to me.
Remember your current and voltage sources are considered ideal
An ideal current source has an infinite internal impedance and an ideal voltage source has a zero internal impedance.

Post your best attempt.
E
 

The Electrician

Joined Oct 9, 2007
2,986
Hi ericgibbs! thankyou for helping me,
can i consider those two resistors in parallel right?
View attachment 335596
Resistors in parallel with voltage sources such as the 8 ohm and 2 ohm can just be eliminated. Resistors in series with current sources can be replaced with a short. What do you get after those simplifications?

You have a controlled source. Is it a voltage source or a current source?

Attempt at humor. This is a problem that helps you decide if you should be an Electrical Engineer, If you're eager to solve it, and are a little bit on the spectrum (helps your ability to focus on a problem for a long time), you're on the right track.:D
 
Last edited:
Top