Hi everyone!
I think I have a big conceptual gap, I hope someone can clarify things to me.

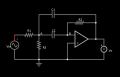
The exercise asks the following:
I proceeded as follows:
I consider the circuit in the frequency domain first through the Laplace transform for easier calculations.
Because of negative feedback I have virtual ground at the op amp inputs and therefore I can write the following expressions:
\(
KCL \; A) \; \frac{V_{in} (s) - V_A}{R_1} \; = \; \frac{V_A}{R_3} + sC_1 \left( V_A - V_o (s) \right) + sC_2 V_A \\
\\
KCL \; B) \; sC_2 V_A \; = \; - \frac{V_o (s) }{R_2} \; therefore \; V_A \; = \; - \frac{1}{sC_2 R_2} V_o (s)\\
\\
therefore \; V_o (s) \left( \frac{1}{sC_2 R_1 R_2} + \frac{1}{sC_2 R_2 R_3} + \frac{C_1}{C_2 R_2} + sC_1 + \frac{1}{R_2}\right) \; = \; - \frac{V_{in} (s)}{R_1} \\
\\
therefore \; A_v (s) \; = \; \frac{V_o (s)}{V_{in} (s)} \; = \; - \frac{sC_2 R_2 R_3}{s^2 C_1 C_2 R_1 R_2 R_3 + sR_1 R_3 \left( C_1 + C_2 \right) + \left( R_1 + R_3 \right)}
\)
Assuming \( s = σ + jw \) with \( σ = 0 \) , I can write:
\(
A_v(jw) \; = \; - \frac{jwC_2 R_2 R_3}{\left( R_1 + R_3 \right) - w^2 C_1 C_2 R_1 R_2 R_3 + jw R_1 R_3 \left( C_1 + C_2 \right)}
\)
Now, I sketched the Bode plots and since I have this transfer function with 1 zero and a pair of complex conjugate poles \( A_v (s) \; = \; - \left( \frac{C_2 R_2 R_3}{R_1 + R_3} \right) \frac{s}{1 + s \frac{R_1 R_3 \left( C_1 + C_2 \right)}{R_1 + R_3} + s^2 \frac{C_1 C_2 R_1 R_2 R_3}{R_1 + R_3}} \) , I think I can say it's a band-pass filter with natural frequency \( w_n \; = \; \sqrt{\frac{R_1 + R_3}{C_1 C_2 R_1 R_2 R_3}} \).
I stopped right here because I didn't understand how to derive the analytic expression of the maximum frequency gain so I went to my professor to ask him about it. He told me that the condition for maximum gain is that the transfer function has to be real.
Since the numerator is imaginary I have to make the denominator imaginary too so I can simplify the two \( j \) and that happens only when \( \left( R_1 + R_3 \right) - w^2 C_1 C_2 R_1 R_2 R_3 \; = \; 0 \) , therefore when \( w \; = \; \sqrt{\frac{R_1 + R_3}{C_1 C_2 R_1 R_2 R_3}} \) , but I don't understand the theory behind it..
(For the last point I drew the circuit respectively considering the capacitors as open and short circuit since
\(
with \; w = 0 \; then \; \frac{1}{jwC} \to \infty \\
\\
with \; w \to \infty \; then \; \frac{1}{jwC} \to 0
\))
I think I have a big conceptual gap, I hope someone can clarify things to me.

The exercise asks the following:
- The analytic expression of the gain \( A_v\; = \; \frac{V_o (jw)}{V_{in} (jw)} \)
- The function of the circuit and its characteristic parameters
- The analytic expression and value of the frequency of maximum gain \( w_0\)
- The behavior of the circuit relative to the two frequencies \(w = 0\) and \(w \to \infty \)
I proceeded as follows:
I consider the circuit in the frequency domain first through the Laplace transform for easier calculations.
Because of negative feedback I have virtual ground at the op amp inputs and therefore I can write the following expressions:
\(
KCL \; A) \; \frac{V_{in} (s) - V_A}{R_1} \; = \; \frac{V_A}{R_3} + sC_1 \left( V_A - V_o (s) \right) + sC_2 V_A \\
\\
KCL \; B) \; sC_2 V_A \; = \; - \frac{V_o (s) }{R_2} \; therefore \; V_A \; = \; - \frac{1}{sC_2 R_2} V_o (s)\\
\\
therefore \; V_o (s) \left( \frac{1}{sC_2 R_1 R_2} + \frac{1}{sC_2 R_2 R_3} + \frac{C_1}{C_2 R_2} + sC_1 + \frac{1}{R_2}\right) \; = \; - \frac{V_{in} (s)}{R_1} \\
\\
therefore \; A_v (s) \; = \; \frac{V_o (s)}{V_{in} (s)} \; = \; - \frac{sC_2 R_2 R_3}{s^2 C_1 C_2 R_1 R_2 R_3 + sR_1 R_3 \left( C_1 + C_2 \right) + \left( R_1 + R_3 \right)}
\)
Assuming \( s = σ + jw \) with \( σ = 0 \) , I can write:
\(
A_v(jw) \; = \; - \frac{jwC_2 R_2 R_3}{\left( R_1 + R_3 \right) - w^2 C_1 C_2 R_1 R_2 R_3 + jw R_1 R_3 \left( C_1 + C_2 \right)}
\)
Now, I sketched the Bode plots and since I have this transfer function with 1 zero and a pair of complex conjugate poles \( A_v (s) \; = \; - \left( \frac{C_2 R_2 R_3}{R_1 + R_3} \right) \frac{s}{1 + s \frac{R_1 R_3 \left( C_1 + C_2 \right)}{R_1 + R_3} + s^2 \frac{C_1 C_2 R_1 R_2 R_3}{R_1 + R_3}} \) , I think I can say it's a band-pass filter with natural frequency \( w_n \; = \; \sqrt{\frac{R_1 + R_3}{C_1 C_2 R_1 R_2 R_3}} \).
I stopped right here because I didn't understand how to derive the analytic expression of the maximum frequency gain so I went to my professor to ask him about it. He told me that the condition for maximum gain is that the transfer function has to be real.
Since the numerator is imaginary I have to make the denominator imaginary too so I can simplify the two \( j \) and that happens only when \( \left( R_1 + R_3 \right) - w^2 C_1 C_2 R_1 R_2 R_3 \; = \; 0 \) , therefore when \( w \; = \; \sqrt{\frac{R_1 + R_3}{C_1 C_2 R_1 R_2 R_3}} \) , but I don't understand the theory behind it..
(For the last point I drew the circuit respectively considering the capacitors as open and short circuit since
\(
with \; w = 0 \; then \; \frac{1}{jwC} \to \infty \\
\\
with \; w \to \infty \; then \; \frac{1}{jwC} \to 0
\))