This isn't going to be very specific to a circuit but there is a design that is used in some aquarium lights that I would say goes outside the box in function.
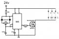
Specifically some lights have constant current drivers on their circuit board (one in particular a pt4115)
Instead of using the dim pin they dim it err "globally" on the power line to the board.
Like one would with the numerous constant voltage ribbons of leds.
One light in particular uses a TC-420 for this purpose.
The tc-420 PWM dims the main 24v line to the chip (and of course diodes) using a MOSFET output.
Point is instead of using the "on board" dim circuit it constantly (at about 500Hz duty) fires the driver.
Seems it could be problematic.
The light I modeled above someone had problems with bricking a number of TC-420's
There is a Japanese made light that people modify in the same manner.
CC drivers on board, just pulse voltage input to dim.
Soo any feelings on constantly "flicking" the voltage to a constant current driver?
The theory, tc-420's are cheap and driving leds at constant current is better over constant voltage is sort of sound.
Mentally, having the constant current chip constantly starting up at 500Hz duty cycles seems err crude.
As I wrote this it came to mind that the light may just stress the mosfets in the TC-420 and has nothing to do with the "driver design" exactly.
TC420 should be good to 96Watts per tc 4a spec and 24v ps per channel.
The specific light also had diodes burn out at a more than usual rate but that could just be the quality (est. current was 450mA) or poor heat sinking.
Question still applies on the overall topology.
Edit for specifics on light
composed of 3 channel with 4 6 diode led boards. 4 boards need to be wired in parallel and have an effective current draw of 4 x 450 or 43W total
Well within the 4A limit of a channel on the tc-420.
Thing is a manual dimmer works fine as to not dying. Most of those are rated at 6A though
Specifically some lights have constant current drivers on their circuit board (one in particular a pt4115)
Instead of using the dim pin they dim it err "globally" on the power line to the board.
Like one would with the numerous constant voltage ribbons of leds.
One light in particular uses a TC-420 for this purpose.
The tc-420 PWM dims the main 24v line to the chip (and of course diodes) using a MOSFET output.
Point is instead of using the "on board" dim circuit it constantly (at about 500Hz duty) fires the driver.
Seems it could be problematic.
The light I modeled above someone had problems with bricking a number of TC-420's
There is a Japanese made light that people modify in the same manner.
CC drivers on board, just pulse voltage input to dim.
Soo any feelings on constantly "flicking" the voltage to a constant current driver?
The theory, tc-420's are cheap and driving leds at constant current is better over constant voltage is sort of sound.
Mentally, having the constant current chip constantly starting up at 500Hz duty cycles seems err crude.
As I wrote this it came to mind that the light may just stress the mosfets in the TC-420 and has nothing to do with the "driver design" exactly.
TC420 should be good to 96Watts per tc 4a spec and 24v ps per channel.
The specific light also had diodes burn out at a more than usual rate but that could just be the quality (est. current was 450mA) or poor heat sinking.
Question still applies on the overall topology.
Edit for specifics on light
composed of 3 channel with 4 6 diode led boards. 4 boards need to be wired in parallel and have an effective current draw of 4 x 450 or 43W total
Well within the 4A limit of a channel on the tc-420.
Thing is a manual dimmer works fine as to not dying. Most of those are rated at 6A though
Last edited:







