Adding a variable current limit circuit.

Thread Starter

avz

Joined Sep 8, 2008
15
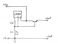
I would like to add to this basic LM317 based power regulator circuit of a variable current limiter (0 - 3A), preferably with a led indicator. appreciate your suggestions/comments.lm317ps.pdf-1(Powered by MaxAI).png
 

Thread Starter

avz

Joined Sep 8, 2008
15
hi avz,
Is fig #14 of this LM317 App d/s any help?
E
Thanx, it might. if I get it right, the resistor marked with the "note a" sets the output current and in order to get variable current, it has to be changed to a potentiometer.
 

Alec_t

Joined Sep 17, 2013
15,112
the resistor marked with the "note a" sets the output current
It only sets the minimum current. If you want to limit the current you need to incorporate something like the Fig 4 arrangement with a variable resistor. You would still require a pass transistor, as in Fig 14, if you want to limt current up to 3A, as the 317 can only handle 1.5A max.
 

Thread Starter

avz

Joined Sep 8, 2008
15
It only sets the minimum current. If you want to limit the current you need to incorporate something like the Fig 4 arrangement with a variable resistor. You would still require a pass transistor, as in Fig 14, if you want to limt current up to 3A, as the 317 can only handle 1.5A max.
In that configuration - fig.4 - the current limit is indeed adjustable but to my humble opinion one can't adjust the voltage, it turn into constant current mode.
 

DickCappels

Joined Aug 21, 2008
10,661
I am lazy, to minimize parts I connected one LM317 as a constant current source set to the desired maximum current, followed by and LM317 connected as a voltage regulator. Everything works fine normally, and the voltage regulator works fine. At currents above that for which the constant current source is set the voltage drops to zero.
 

Alec_t

Joined Sep 17, 2013
15,112
it turn into constant current mode.
That's why I said to "incorporate" the Fig 4 arrangement; not replace Fig 14 components. You need a combination of both the controlled voltage and current limit functions, as used in Dick's post #6 post.
 

Thread Starter

avz

Joined Sep 8, 2008
15
I am lazy, to minimize parts I connected one LM317 as a constant current source set to the desired maximum current, followed by and LM317 connected as a voltage regulator. Everything works fine normally, and the voltage regulator works fine. At currents above that for which the constant current source is set the voltage drops to zero.
If I understand, you're suggesting to connect a lm317 with an additional transistor so that it will be able to provide 3A, wired as a c.c. source followed by another connected in series lm317 wired as a voltage regulator. in such a configuration, how can I draw 3Amps taking into consideration that the lm317 can provide 1.5A max?
 

Alec_t

Joined Sep 17, 2013
15,112
You could probably buy an off-the-shelf regulator meeting your requirements more cheaply than you could build one.
What is the input voltage?
 

Thread Starter

avz

Joined Sep 8, 2008
15
You could probably buy an off-the-shelf regulator meeting your requirements more cheaply than you could build one.
What is the input voltage?
Yes, I know that I can find it but I prefer to do it to learn out of it, not only to connect wires.
 

sparky 1

Joined Nov 3, 2018
1,218
Lewis Loflin video tutorial 2024 His goal is on building a heavy duty LM317 constant current source.
The instructions are simple. He takes 15Vdc 30W and outputting 2A. He explains thermal compensation of the circuit.
He explains that paralleling another MJ2955 power transistor. He uses 20 Watt resistors for dummy load.
As the video continues he adds a few more parts which makes it interesting. it's about as good as an LM317 CC usually gets
Using LTspice you should be able modify it for your needs.


 
Last edited:

Alec_t

Joined Sep 17, 2013
15,112
Using a linear regulator such as the LM317 with a pass transistor to handle 3A also means that you will have to dissipate a lot of heat if the input voltage and out voltage differ by more than a few volts.
What is the input voltage?
What heatsink do you intend to use?
Have you considered using a more efficient switch-mode regulator instead of the '317?
 

Thread Starter

avz

Joined Sep 8, 2008
15
Using a linear regulator such as the LM317 with a pass transistor to handle 3A also means that you will have to dissipate a lot of heat if the input voltage and out voltage differ by more than a few volts.
What is the input voltage?
What heatsink do you intend to use?
Have you considered using a more efficient switch-mode regulator instead of the '317?
I have a transformer with a 24vac 4A secondary, as for the heatsink, I have one that I believe is sufficient for both the lm317 and the pass transistor. as I wrote earlier my goal is not only the device itself, but learning and understanding and for that purpose, I prefer it over a ready made.
 

Thread Starter

avz

Joined Sep 8, 2008
15
Lewis Loflin video tutorial 2024 His goal is on building a heavy duty LM317 constant current source.
The instructions are simple. He takes 15Vdc 30W and outputting 2A. He explains thermal compensation of the circuit.
He explains that paralleling another MJ2955 power transistor. He uses 20 Watt resistors for dummy load.
As the video continues he adds a few more parts which makes it interesting. it's about as good as an LM317 CC usually gets
Using LTspice you should be able modify it for your needs.


Thanx, I'll watch it.
 

DickCappels

Joined Aug 21, 2008
10,661
If I understand, you're suggesting to connect a lm317 with an additional transistor so that it will be able to provide 3A, wired as a c.c. source followed by another connected in series lm317 wired as a voltage regulator. in such a configuration, how can I draw 3Amps taking into consideration that the lm317 can provide 1.5A max?
Figure 14 In the application note @ericgibbs provided in post #2 shows how to boost the current out of an LM317. As you might have surmised by now, both the current source and the voltage regulator described in post #6 can be used in place of the bare LM317.
 
Top