I have been exploring a Cockroft-Walton type charge pump and have been given a circuit by a friend that seems to be a variation on the more traditional layout.
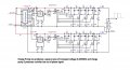
Here is a conventional circuit layout:

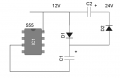
And here is the circuit I was given, and then my interpretation of this expanded to 5 stages.


My query is to do with the signal input, which will be a square wave input from an astable and therefore is not + and - signal, as with a sine wave input. What we have instead is a high-frequency 'on-off' connection to ground with a stable 12V supply for the charge pump. So, although this layout seems to be inverted from the traditional layout, it may in fact produce the same result. I will need to change the diodes to say the MUR640, as the one shown is far too low a voltage rating.
So, is there anything here that would suggest that this 5-stage version wouldn’t work?
Thanks
Here is a conventional circuit layout:

And here is the circuit I was given, and then my interpretation of this expanded to 5 stages.


My query is to do with the signal input, which will be a square wave input from an astable and therefore is not + and - signal, as with a sine wave input. What we have instead is a high-frequency 'on-off' connection to ground with a stable 12V supply for the charge pump. So, although this layout seems to be inverted from the traditional layout, it may in fact produce the same result. I will need to change the diodes to say the MUR640, as the one shown is far too low a voltage rating.
So, is there anything here that would suggest that this 5-stage version wouldn’t work?
Thanks
Last edited:



