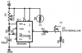
I have this circuit. When the mosfet is triggered by the variable resistor on the bottom right it works great. When the mosfet is triggered by the 555 timer is works great. but when I try to combine the two the 555 dominates and the variable resistor (a light sensor) doesn't work properly. When both inputs are active the gate voltage oscillates but with a smaller variation than the 555 alone. What I would like is for the 555 to be the main controller and the light sensor to over ride the 555 when it is activated. If I bypass the light sensor and feed V+ directly to the gate with the 555 running it over rides fine. thanks in advance.



