All,
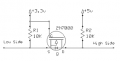
Using a 2N7000 and analog write function in arduino to convert 3.3v to 5v and then using an LP RC Filter.
I have tried simulating it and probing the circuit but I cannot get greater than 3.3V out of it. I am wondering if my analog write frequency is too high?
Example of circuit.

Code:
analogWriteRange(1032);
uint16_t temp = ((((1.8 * bme.readTemperature() + 32)+20)/140)*1032);
analogWrite(D7, temp);
Am I missing something? 100% new to electronics as of 4 months ago and trying to learn. Appreciate the help.
Using a 2N7000 and analog write function in arduino to convert 3.3v to 5v and then using an LP RC Filter.
I have tried simulating it and probing the circuit but I cannot get greater than 3.3V out of it. I am wondering if my analog write frequency is too high?
Example of circuit.

Code:
analogWriteRange(1032);
uint16_t temp = ((((1.8 * bme.readTemperature() + 32)+20)/140)*1032);
analogWrite(D7, temp);
Am I missing something? 100% new to electronics as of 4 months ago and trying to learn. Appreciate the help.




