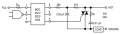
I am designing a PCB for a SSR to drive a heating element and I'm and basing it off the reference design in the MOC3021 datasheet (attached, Figure 8).
For the power triac I plan to use a BTA16. For the power triac snubber capacitor (0.01uF) I am ordering X2 safety capacitor.
I was wondering for the opto snubber capacitor (0.05uF) do I need an X2 safety capacitor, or would something like a capacitor rated at about 400V be ok?
I ask because I am having some difficulty finding such a capacitor in stock currently.
Any and all advice is greatly appreciated.
For the power triac I plan to use a BTA16. For the power triac snubber capacitor (0.01uF) I am ordering X2 safety capacitor.
I was wondering for the opto snubber capacitor (0.05uF) do I need an X2 safety capacitor, or would something like a capacitor rated at about 400V be ok?
I ask because I am having some difficulty finding such a capacitor in stock currently.
Any and all advice is greatly appreciated.
Attachments
-
176.3 KB Views: 10
