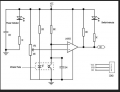
I'm making a score counter and i want to use the ir sensor as clock signal if there is an object in front of it. I connected a 74194 shift register to shift when theres an object in front of the IR sensor.
I made it in a breadboard but can't seem to shift or update the score display
I made it in a breadboard but can't seem to shift or update the score display


