
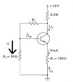
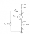
Few assumptions i am making and attempting the problem, please correct me if i am wrong

Assuming that the transistor is in active region
\[ I_C+I_B+I_E = 0 - eq1 \\
I_C + I_B = 2mA - eq2 \\
\text {Collector and Base current relation in active region is} \\
I_C = \beta I_B \\
I_C = 49 * I_B mA - eq3 \\
\text {substitute in eq2} \\
50*I_B = 2 mA => I_B = 40\mu A => I_C = 49*40\mu A = 1.96mA \\
\text {Calculating I1} \\
I1 * 20000 Ohm - 0.7V - 2mA * 100 Ohm = 0 - eq4 \\
I1 = \frac{0.9V}{20000 Ohm} = 45\mu A \\
\text {Calculating R1} \\
\text {Current through R1} \\
I1 + I_B = 40\mu A + 45\mu A = 95 \mu A - eq5 \\
\text {Applying voltage divider rule} \\
12V - 3.3K Ohm * (I_C A+ I_B A + I_1 A) => 12 V - 3.3kOhm*(1.96mA + 95\mu A) => 6.78V \\
6.78V * \frac{R2 KOhm}{R2 KOhm + R1 KOhm} - 0.7V -0.2V = 0 - eq6 \\
6.78V * \frac{20K Ohm}{20K Ohm + R1 K Ohm} = 0.9V \\
\frac{20K Ohm}{20K Ohm + R1 K Ohm} = 0.132 \\
R1 = 131K Ohm \\
\text {To verify in active region} \\
6.78V - V_{CE} V- 0.2V = 0; - eq7 \\
V_{CE} = 6.76V \\
\text {since V_CE is above 0.2V transistor not in saturation}
\]
Request to please review if my calculations and assumptions are correct. Thank you in advance.
