I've seen this on several arcade "Switcher" power supplies and don't know what it's for. It's a wire connected from the transformer to ground and the SMPS seems to work whether or not if it's connected.
Picture #1 is the wire connected
Picture #2 is the wire not connected, but PS functioning
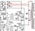
Picture #3 is the part of the schematic I believe shows the connection.
Still new to repairing SMPS. Thanks for any help!



Picture #1 is the wire connected
Picture #2 is the wire not connected, but PS functioning
Picture #3 is the part of the schematic I believe shows the connection.
Still new to repairing SMPS. Thanks for any help!


