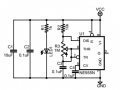
I would like to replace this potentiometer R3 in this 555 astable multivibrator circuit with a fixed resistor with a value of 719 kOhm resistance to get a 0.1 Hz pulse frequency with 50 percent duty cycle. I use a 10 Ohm Resistor for R2 and 10 uF capacitor.
How to replace this potentiometer with 3 terminals to the resistor. In the circuit pins 2 and 3 of the pot are shorted together.
I have wired this circuit and it works fine with a potentiometer. But then I used a perf board and soldered all components and replaced the potentiometer with a fixed resistor based on this circuit from the 555 timer manual with values according to requirements.

Ra = 10 Ohm
Rb = 719k Ohm
C = 10 uF
I dont understand why it works with a potentiometer and when I use fixed resistors it doesn't. I need some help on this.
Edit: I added a 10 uF capacitor in the above circuit from 555 timer manual as in the first circuit in addition to the 0.1 uF capacitor from source to gnd. But I dont think this makes a difference.
Thanks.
How to replace this potentiometer with 3 terminals to the resistor. In the circuit pins 2 and 3 of the pot are shorted together.I have wired this circuit and it works fine with a potentiometer. But then I used a perf board and soldered all components and replaced the potentiometer with a fixed resistor based on this circuit from the 555 timer manual with values according to requirements.

Ra = 10 OhmRb = 719k Ohm
C = 10 uF
I dont understand why it works with a potentiometer and when I use fixed resistors it doesn't. I need some help on this.
Edit: I added a 10 uF capacitor in the above circuit from 555 timer manual as in the first circuit in addition to the 0.1 uF capacitor from source to gnd. But I dont think this makes a difference.
Thanks.
Last edited:




