I’m working on a school project and need some help figuring this out. The question is as follows.
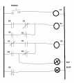
When a momentary button is pressed it will cause two lights to toggle between each other. Ie press the button and release it once and light one is on, press and release the button again and light one turns off and light two turns on. Press and release the button again and light one turns back on and light two is off.
I can only use a momentary NO switch and as many relays as I need. And obviously two lights. I’m working with all 24vac components. Any help would be much appreciated.
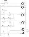
When a momentary button is pressed it will cause two lights to toggle between each other. Ie press the button and release it once and light one is on, press and release the button again and light one turns off and light two turns on. Press and release the button again and light one turns back on and light two is off.
I can only use a momentary NO switch and as many relays as I need. And obviously two lights. I’m working with all 24vac components. Any help would be much appreciated.




