First off, I am REALLY new to circuit design, having a basic understanding of the components.
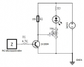
I am building a project where I need to switch an LED on and off at a high flash rate, and have built and tested the attached circuit. To simplify the design, I went looking for a Logic-level MOSFETto eliminate the NPN transistor and current limiting resistor. So far, so good.
I ended up buying some RFP30N06LE's even though they are N-Channel.
So, can someone tell me if it is possible to use an N-channel MOSFETon the high side, and if so, lead me in the right direction?
Thanks
I am building a project where I need to switch an LED on and off at a high flash rate, and have built and tested the attached circuit. To simplify the design, I went looking for a Logic-level MOSFETto eliminate the NPN transistor and current limiting resistor. So far, so good.
I ended up buying some RFP30N06LE's even though they are N-Channel.
So, can someone tell me if it is possible to use an N-channel MOSFETon the high side, and if so, lead me in the right direction?
Thanks
Attachments
-
161.4 KB Views: 20


