Need a basic circuit that will turn on and off a DC transistor relay but only when the secondary voltage reaches a set value and will turn off the relay when it drops below the voltage.
The circuit will be 12v (for a car)
I have 12volt and neg coming directly from the battery.
12V --------------- Relay (Normally Open) Relay Out ------------- LED Light Pos.
Neg ----------------------------------------------------------------------------- Led Light Neg
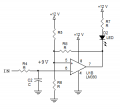
Relay Control has + and – input and will trigger relay at .03 volts. Circuit can handle up to 42 volts DC.
Here is the problem.
I have second 12v DC pulse generated source as the input to the circuit.
It averages about 6V on a analog meter but is a 0 to 12 square wave. That varies in duration so it run in two modes low speed and high speed.
I need circuit to sense that when it changes the pulse to high speed (less off condition) so it will trigger the relay.
I want to turn on the relay when the voltage average exceeds 7 volts (analog reading) and turn off when below set value Would be great if it can be adjusted.
The positive pulse coming increases by two so the on state is twice as long (creating 10v if measured by analog) The problem I'm having if finding a way sense low pulse from high pulse condition.
I have no problem compensating for a working solution.
The circuit will be 12v (for a car)
I have 12volt and neg coming directly from the battery.
12V --------------- Relay (Normally Open) Relay Out ------------- LED Light Pos.
Neg ----------------------------------------------------------------------------- Led Light Neg
Relay Control has + and – input and will trigger relay at .03 volts. Circuit can handle up to 42 volts DC.
Here is the problem.
I have second 12v DC pulse generated source as the input to the circuit.
It averages about 6V on a analog meter but is a 0 to 12 square wave. That varies in duration so it run in two modes low speed and high speed.
I need circuit to sense that when it changes the pulse to high speed (less off condition) so it will trigger the relay.
I want to turn on the relay when the voltage average exceeds 7 volts (analog reading) and turn off when below set value Would be great if it can be adjusted.
The positive pulse coming increases by two so the on state is twice as long (creating 10v if measured by analog) The problem I'm having if finding a way sense low pulse from high pulse condition.
I have no problem compensating for a working solution.



