Hello!
Firstly thanks for looking.
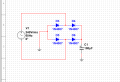
I have 240 RMS > Fully wave rectifier > 170uF cap.
200mA ILoad
5% Vripple = 17Vpp
The above is what I believe should be happening more or less. Im my sim I get 0Vpp.
How do I introduce this ripple? I thought maybe I could slap another AC source 17Vpp into the mix but it seems a bit crude.
Firstly thanks for looking.
I have 240 RMS > Fully wave rectifier > 170uF cap.
200mA ILoad
5% Vripple = 17Vpp
The above is what I believe should be happening more or less. Im my sim I get 0Vpp.
How do I introduce this ripple? I thought maybe I could slap another AC source 17Vpp into the mix but it seems a bit crude.






