Ok guys and gals, I would greatly appreciate some help here. I'm a computer/network guy, but my son received a PoS in the mail for his Halloween costume that is just plain plastic. It's supposed to go with his Starlord costume. I find the item completely unacceptable!
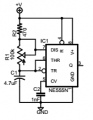
In any case, I also thought it was a good chance to learn some basics in electronics and have a project we could work on together. With that out of the way, I realized quickly that I had no idea what the heck I was doing! At this point, I have the standard 555ic connected to a 4017 counter (thanks to youtube) and it's pushing some 5mm LED lights in a sequence. My plan is to have the first 5 pins output to two separate LEDs for the left and right per pin to keep them in sync. I also added a potentiometer inline. It seems to be working fine and powered by a 9v battery. My goal is to have the last pin, or some other method, to power on some fat beam laser modules and a 10mm LED at the front of his blaster. No problem I'm assuming, just hook it up to the next pin with a resister since they operate at 3-5v. The problem is I would like to, if possible, increase the duration of the laser module to something more significant than the LEDs that are moving forward to look like the LEDs are powering it up and the laser module is emitting the power. (.05 sec,.05,.05,.05,.05,.1.0 seconds)
Since the input into the 4017 is controlled by the on/off of the 555ic chip (and assuming I won't be able to vary the output duration), I had also contemplated using another 555 and trigger both circuits at the same time (I'm guessing I need a diode at the end of both circuits if I went that route.) Additionally, I don't have a way of getting the timing correct. Any thoughts out there that could put me on the right track? Any help would be appreciated. I also thought that there may be some way to complete a second circuit with the output of the 6th pin from the original 4017 chip (but, I have no idea if that is possible).
Thank you for your valuable time.
Sincerely,
James B
Since the input into the 4017 is controlled by the on/off of the 555ic chip (and assuming I won't be able to vary the output duration), I had also contemplated using another 555 and trigger both circuits at the same time (I'm guessing I need a diode at the end of both circuits if I went that route.) Additionally, I don't have a way of getting the timing correct. Any thoughts out there that could put me on the right track? Any help would be appreciated. I also thought that there may be some way to complete a second circuit with the output of the 6th pin from the original 4017 chip (but, I have no idea if that is possible).
Thank you for your valuable time.
Sincerely,
James B




