Logic level N-ch and P-ch MOSFET recommendation

Thread Starter

tttapa

Joined Jan 31, 2016
22
Hi,
I want to build an H-bridge to drive relatively small DC motors (max. 300mA @5V), using a 5V Arduino.
What logic level MOSFETs should I buy for this application?

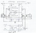
This is the schematic of the H-bridge:
H-bridge.png

Thanks in advance,
Pieter
 

dl324

Joined Mar 30, 2015
18,301
You haven't given enough information.

Go to digikey.com or mouser.com and use their parametric search to find something suitable.
 

MaxHeadRoom

Joined Jul 18, 2013
30,619
Check out the Picmicro AN964 or the Mechatronics board schematics, these use SMT devices, unless looking for DIP/discrete parts.
Max.
 

Thread Starter

tttapa

Joined Jan 31, 2016
22
You haven't given enough information.

Go to digikey.com or mouser.com and use their parametric search to find something suitable.
What information do you need?

Check out the Picmicro AN964 or the Mechatronics board schematics, these use SMT devices, unless looking for DIP/discrete parts.
Max.
Yes, I'm looking for discrete parts.

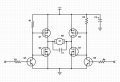
This H bridge is still working well.View attachment 122691
What are the advantages of using this schematic over my original one?

Thank you for your replies,
Pieter
 

Bernard

Joined Aug 7, 2008
5,784
Drawing on post #1 is prettier than # 5. Drawing on post # 5 has part nos. available from DigiKey, & has been working for several years lifting a target. Functionally they are the same.
 

crutschow

Joined Mar 14, 2008
38,451
You need logic-level type MOSFETS.
In a search, look for MOSFETs that have a Vgs(th) threshold of 2V or less.
Then check that their ON resistance (RDSon) is rated in the data sheet for a Vgs of 5V or less.
 
Last edited:

Bernard

Joined Aug 7, 2008
5,784
I lied, the H bridge is controlling an owl's head for about 4 months, the several years is for servo controlled
by LDR; both posts active at the same time.
The X OR & OR circuit at bottom was for a case where it is possible for both inputs could both be hi or lo at the same time, not good for an H bridge.
 
Last edited:

Thread Starter

tttapa

Joined Jan 31, 2016
22
You need logic-level type MOSFETS.
In a search, look for MOSFETs that have a Vgs(th) threshold of 2V or less.
Then check that their ON resistance (RDSon) is rated in the data sheet for a Vgs of 5V or less.
I understand, I was just wondering if someone had a specific part number, because there's thousands of MOSFETs in the DigiKey or Mouser catalog.

MOSFETs come in a number of packages and a variety of prices.
I'd like discrete through-hole parts that fit in a breadboard. About $1/pc.

The X OR & OR circuit at bottom was for a case where it is possible for both inputs could both be hi or lo at the same time, not good for an H bridge.
If they can't be both high or low at the same time, how do you turn off the motor?

Pieter
 

Bernard

Joined Aug 7, 2008
5,784
Thanks for showing up a disastrous error , when redrawing the NAND gates used a invertors were shifted from
the N ch. FETs to the P ch. FETs- not good for the FETs. As it should be, when both inputs are low all FETs are off & same if both inputs are high.
 
Top